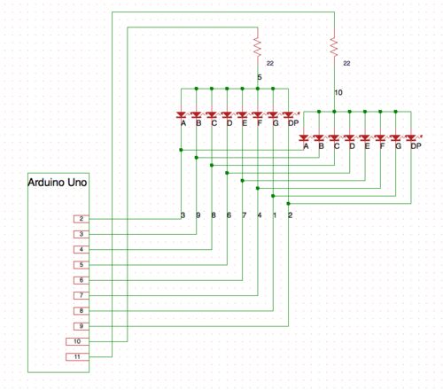
はじめに 使ったもの データシート 回路設計 スケッチ 結果 <参考文献> はじめに aitendoで安売りしていたLEDセグメントを使ってみた 使ったもの ArduinoUno 2桁表示7セグメントLEDアノードコモン 22Ω抵抗 2個 データシート 7セグメントLEDピンナンバー 数…
引用をストックしました
引用するにはまずログインしてください
引用をストックできませんでした。再度お試しください
限定公開記事のため引用できません。