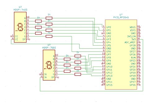
はじめに 秋葉原の千石電商でRaspberry pi picoが500円で売られていて衝動買いしてしまった。このRapberry pi picoはRaspberry piとは違ってただのマイコンという感じ。Arduinoの対抗馬的な立ち位置なのかな。Pythonで開発できて、簡単な開発ならthonnyとい…
引用をストックしました
引用するにはまずログインしてください
引用をストックできませんでした。再度お試しください
限定公開記事のため引用できません。